Search
- yohoho
- unblocked games 77
- unblocked games 8
- unblocked games 2
- unblocked games for school
- unblocked games world
- retro bowl
- unblocked games
- unblocked games premium retro bowl college best unblocked games unblocked games
Design process that was followed in this project:
• Introduction
• About Million Soul
• Studying The Existing Design
• Use Case Senarios
• Identifying Limitations Based On Use Cases
• Identifying The Sitting Postures
• Design Brief
• Market Study
• Brainstorming
• Studying Electronics Of Existing Lamp
• Concept Generation
• Mockups
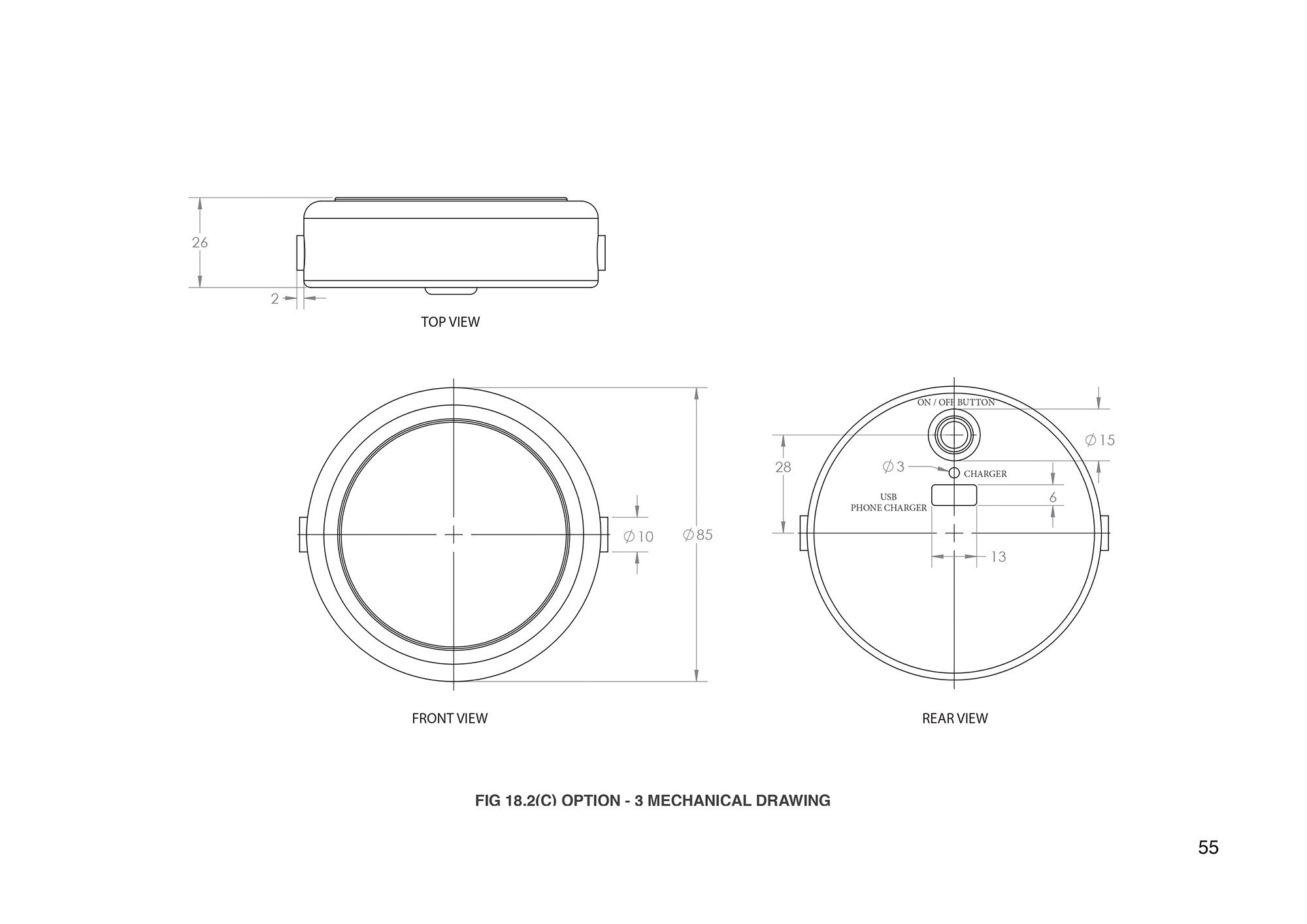
• Manufacturing Details
• Arriving At Concepts
• Validation
• Photographs Of Working Prototypes
• Variations In Form
• Generating Options
• Final Concept
• Final Design
• Future Scope
• References
Case Study Download:
• Redesign of The Million Soul Solar Lamp......