Search
- yohoho
- unblocked games 77
- unblocked games 8
- unblocked games 2
- unblocked games for school
- unblocked games world
- retro bowl
- unblocked games
- unblocked games premium retro bowl college best unblocked games unblocked games
1. Product Structure

The product structure must be clear when it comes to final engineering documentation. The drawings and other documentation must follow the product structure. Nothing should be missed. At the highest level of the structure, a simple screw is given equal importance as is given to the final assembly. Without this simple screw, the final assembly is not complete.
The documentation conforms to the product structure diagram.
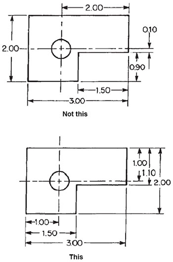
2. Dimensioning

Dimensioning for sheet metal punching, bending operations follow the datum rule.
Dimensions should be from one datum line rather than from a variety of points to simplify tooling and gauging and avoid overlap of tolerances.
3. Standards
Technical documentation involves the preparation of drawings, manuals, literature, etc., conforming to defined standards. There are well-defined ISO standards for various activities. It is well-advised to follow known standards for conformity.
For example, ISO 8887-1:2017 specifies the requirements for the preparation, content, and structure of Technical Product Documentation (TPD) for the cycles of manufacturing, assembling, disassembling, and end-of-life processing of products.
1S0128-30:2001 gives Indian standards for technical drawings, general principles of presentation.
IS 800 gives a code of practice for general construction in steel.
4. BOM/BOQ
Bill of Quantities (BOQ) and Bill Of Materials (BOM) help project managers and vendors in understanding the part requirements associated with the product.
BOM is related to the list of sub-assemblies, parts, specifications of raw materials. It is hierarchical in nature with the top-level representing the finished product which may be a sub-assembly or a completed item.
BOQ lists the quantities required to fabricate the product. BOQ is used mainly for tendering purposes. The quantities may be measured in number, area, volume, weight, or time. Preparation of BOQ means that the design is complete, and specifications have been prepared.
BOM and BOQ both are closely interrelated.
